Athena Engineering S.r.l.
Athena Engineering S.r.l.
Scéal

Treoir Úsáideora do Chaidéil Maighnéadacha Fluaraplastacha

Tarchuireann caidéil mhaighnéadacha fluaireaplaisteacha cumhacht trí chúpláin maighnéadacha, ag baint amach séalaithe heirméiteach iomlán le sceitheadh ​​nialasach. Nuair a thiomáineann an mótar cruach maighnéadach seachtrach an chúplála maighnéadach a rothlú, téann línte maighnéadacha fórsa tríd an mbearna agus an muinchille leithlisithe chun gníomhú ar an cruach maighnéadach inmheánach, rud a chuireann ar chumas an rotor caidéil rothlú go sioncrónach leis an mótar agus an chasmhóimint a tharchur gan teagmháil mheicniúil. Ós rud é go bhfuil an leacht faoi iamh laistigh den sleeve leithlisithe, cuirtear deireadh le sceitheadh ​​​​ábhar go hiomlán, ag laghdú truaillithe, ag coigilt fuinnimh, ag íonú an chomhshaoil, agus ag cosaint sláinte fhisiciúil agus mheabhrach oibrithe ar an láthair.

Príomhghnéithe deCaidéil Maighnéadacha Fluaraplastacha

1. Tá líneáil istigh an chaidéil, rótar istigh impeller, agus muinchille leithlisithe go léir múnlaithe go hiomlán ó ábhar F46 íon gan deascadh eisíontais, rud a fhágann go bhfuil siad thar a bheith oiriúnach chun leachtanna ceimiceacha ard-íonachta agus an-chreimneach a aistriú.

2.Tá an chásáil caidéil déanta as iarann ​​insínte, deartha i gcomhréir le flanges caighdeánach náisiúnta. Tá neart meicniúil den scoth aige agus is féidir leis ualaí troma píblíne a sheasamh.

3. Tá na comhpháirteanna sreabhadh-trí líneáilte le hábhar F46, ina bhfuil bealaí sreafa mín, feidhmíocht hiodrálach níos fearr, caillteanas cuimilte hiodrálach íseal, agus ardéifeachtúlacht.

4.Tá an seafta caidéil, an muinchille imthacaí, agus na fáinní dinimiciúla/statacha go léir déanta de chomhdhúile sileacain sintéaraithe gan bhrú, a thaispeánann cruas ard, friotaíocht ard caitheamh, agus friotaíocht ard creimeadh.

5. Éascaíonn an dearadh groove bíseach uathúil taobh istigh den muinchille imthacaí lubrication an phéire imthacaí sleamhnáin agus scaipeann sé go héifeachtach an teas a ghintear trí fhrithchuimilt le linn oibriú caidéil.

6.Cuirtear clúdach athneartaithe déanta as ábhar snáithín carbóin allmhairithe lasmuigh den muinchille leithlisithe, rud a ligeann don aonad caidéil brú córais níos airde a sheasamh agus deireadh a chur le teas a ghineann sruthanna maighnéadacha eddy i sleeves miotail.

7.Déantar na maighnéid inmheánacha agus seachtracha d'ábhar neodimiam-iarann-bhórón, le dlús flux maighnéadach dromchla de suas le 3600 Gauss. Ligeann sé seo tarchur rianúil chasmhóiminte an phríomh-aistritheora chuig an impeller gan sleamhnú fiú faoi choinníollacha ard-sreafa, rud a choscann teagmháil idir rotor istigh an impeller agus an fáinne sá cúil. Seachnaíonn sé seo leá na gcomhpháirteanna fluaireaplaisteacha de bharr teasa cuimilte, ag cinntiú oibriú cobhsaí an chaidéil maighnéadach i dtimpeallachtaí an-chreimneach.

8. Glacann an t-aonad caidéil ar fad struchtúr ais-tharraingt, rud a ligeann do dhuine aonair cothabháil inmheánach agus athsholáthar cuid a dhéanamh gan an píblíne a dhíchóimeáil, ag cinntiú cothabháil áisiúil.

Magnetic pump product pictures


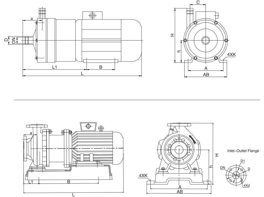
Sonraíochtaí Suiteála agus Coimisiúnaithe do Chaidéil Mhaighnéadacha Línéadacha Fluairín

Ba chóir caidéil 1.Magnetic a shuiteáil go cothrománach agus ní go hingearach. Le haghaidh ócáidí speisialta óna dteastaíonn suiteáil ingearach, caithfidh an mótar aghaidh a thabhairt suas.

2.Nuair a bhíonn an leibhéal leacht súchán níos airde ná lárlíne an seafta caidéil, níl le déanamh ach an comhla píopa shúchán a oscailt roimh am tosaithe. Má tá an leibhéal leacht súchán níos ísle ná lárlíne an seafta caidéil, ní mór comhla chos a shuiteáil sa phíblíne.

3.Before ag tosú ar an gcaidéal, iniúchtaí a dhéanamh: ba chóir na lanna lucht leanúna mótair rothlú go solúbtha gan jamming nó torann neamhghnácha; ní mór do gach ceanglóir a bheith níos doichte go daingean.

4.Deimhnigh go bhfuil treo uainíochta an mhótair ag teacht leis an marc uainíochta ar an gcaidéal maighnéadach.

5.Tar éis duit an mótar a thosú, an comhla urscaoilte a oscailt go mall. Nuair a théann an caidéal isteach i stát oibriúcháin cobhsaí, déan an comhla urscaoilte a choigeartú go dtí an oscailt riachtanach.

6.Before stop a chur leis an gcaidéal, dún an comhla urscaoileadh ar dtús, ansin gearrtha amach an soláthar cumhachta.

Réamhchúraimí maidir le Caidéil Mhaighnéadacha Fluaireaplaisteacha a Úsáid

Seo roinnt leideanna maidir le húsáid caidéil maighnéadacha. Cabhróidh tuiscint orthu a chinntiú go n-oibriú níos sábháilte agus níos éifeachtaí:

Mar shampla, braitheann imthacaí na caidéil go hiomlán ar an meán iompair le haghaidh fuarú agus lubrication. Mar sin, tá cosc ​​dian ar rith tirim. Chomh maith leis sin, seachain oibríocht gan ualach agus tú ag atosú tar éis briseadh cumhachta le linn oibriú, ar shlí eile, d'fhéadfaí damáiste a dhéanamh do na comhpháirteanna go héasca.

Má tá cáithníní soladacha sa mheán iompair, cuimhnigh scáileán scagaire a shuiteáil ag an inlet caidéil. Má tá cáithníní neamhfheiriúla ann, ní mór scagaire maighnéadach a bheith feistithe chun cosc ​​a chur ar an gcomhlacht caidéil ó neamhíonachtaí a mhilleadh.

Níor chóir go mbeadh an teocht chomhthimpeallach le linn úsáide níos mó ná 40 ° C, agus níor chóir go mbeadh an t-ardú teochta mótair níos mó ná 75 ° C, ar shlí eile, féadfaidh sé difear a dhéanamh ar shaol na seirbhíse.

Ina theannta sin, ní mór don mheán iompair agus a theocht riachtanais ábhartha na caidéil a chomhlíonadh. Go ginearálta, tá sé oiriúnach chun leachtanna a iompar le teocht faoi bhun 100 ° C, saor ó cháithníní crua agus snáithíní. Níor chóir go mbeadh brú oibre uasta an chórais níos mó ná 1.0 MPa, níor chóir go mbeadh an dlús leachtach níos mó ná 1300 kg / m³, agus níor chóir go mbeadh an slaodacht níos mó ná 30 cm² / s. I gcásanna speisialta, ní mór comhaontuithe sonracha a leanúint.

Má tá an leacht iompair seans maith go deascadh agus criostalú, déan cinnte an comhlacht caidéil a ghlanadh in am tar éis é a úsáid agus taosc an leacht carntha go léir taobh istigh chun bac a sheachaint.

Tar éis 1000 uair an chloig de ghnáthoibriú, is fearr caitheamh na n-imthacaí agus na fáinní dinimiciúla aghaidh deiridh a sheiceáil. Ná déan é a dhéanamh le páirteanna leochaileacha caite; tá gá le hathsholáthar tráthúil chun feidhmíocht a chinntiú.

Meabhrúchán amháin eile: Úsáideann an cúpláil maighnéadach sa chaidéal maighnéadach ábhair maighnéad buan ardfheidhmíochta, a d'fhéadfadh tionchar a bheith acu ar roinnt feistí íogair, mar shampla pacemakers, cártaí maighnéadacha, fón póca, agus uaireadóirí. Cuimhnigh a choinneáil ar achar áirithe uathu.

Ar deireadh, ba cheart go mbeadh an voltas soláthair cumhachta cobhsaí agus ní ró-ard. Maidir le caidéil a bhfuil cumhacht níos mó ná 18.5 kW acu, moltar gléas comhshó minicíochta nó gléas céim síos uathoibríoch-chlaochladáin a shuiteáil, a fhéadfaidh an mótar a chosaint níos fearr.

Lochtanna agus Modhanna Fabhtcheartú




Cineál Locht Cúiseanna Modhanna um Fhabhtcheartú
Gan scaoileadh uisce 1. Rothlú caidéil droim ar ais2. Sceitheadh ​​aeir sa phíobán súchán3. Easpa uisce sa seomra caidéil4. Voltas ró-ard is cúis le sciorradh cúplála le linn tosaithe5. Ardaitheoir súchán ró-ard6. Comhla gan oscailt 1. Coigeartaigh sreangú mótair2. Deireadh a chur le sceitheadh ​​aeir3. Méadaigh toirt an uisce sa seomra caidéil4. Ceartaigh an voltas5. Laghdaigh suíomh suiteála an chaidéil6. Déan an comhla a dheisiú nó a athsholáthar
Sreabhadh neamhleor 1. Trastomhas píopa súchán ró-bheag nó clogged2. Cainéal sreabhadh impeller3 blocáilte. Ceann ró-ard4. Caitheamh impeller 1. Athsholáthar nó glan an píopa súchán2. Glan an impeller3. Oscail an comhla uisce níos leithne4. In ionad an impeller
Ceann íseal 1. Sreabhadh ró-ard2. Luas rothlaithe ró-íseal 1. Oscailt na comhla urscaoilte a laghdú2. Athchóirigh an luas rothlaithe rátáilte
Torann iomarcach 1. Caitheamh seafta trom2. Caitheamh imthacaí trom3. Teagmháil idir cruach mhaighnéadach seachtrach/istigh agus muinchille leithlisithe4. Fáinne séalaithe agus impeller meilt i gcoinne a chéile5. Tacaíocht píblíne éagobhsaí6. Cavitation 1. Cuir an imthacaí in ionad2. Ionadaigh an seafta3. Díchóimeáil agus athchóimeáil ceann an chaidéil4. Cuir an fáinne sá agus an fáinne séalaithe5 in ionad. Cobhsaigh an phíblíne6. Laghdaigh an chéim bhfolús
Sceitheadh ​​​​leachtach O-fáinne damáiste Ionadaigh an O-fáinne

Teifiko: Rogha Ceardaíochta Iodálach sa Réimse Caidéal Maighnéadach Fluoroplastic

I roghnú agus cur i bhfeidhm caidéil maighnéadacha fluaireaplaisteacha, tá roghnú branda le cumais theicniúla láidir, cáilíocht iontaofa, agus taithí tionscail ríthábhachtach chun táirgeadh sábháilte agus éifeachtach a chinntiú.Teifiko, branda na hIodáile, rogha iontaofa sa réimse seo. Cibé an bhfuil aschur cobhsaí ag teastáil uait faoi choinníollacha oibre caighdeánacha nó réitigh saincheaptha le haghaidh meáin speisialta, is féidir le Teffiko tacaíocht iontaofa a sholáthar lena tháirgí agus a sheirbhísí gairmiúla, rud a fhágann go bhfuil sé ina chomhpháirtí den scoth d'iarratais caidéil maighnéadacha fluaireaplaisteacha i dtáirgeadh tionsclaíoch.





Nuacht Gaolmhar
Fág teachtaireacht dom
  • BACK TO ATHENA GROUP
  • X
    Úsáidimid fianáin chun eispéireas brabhsála níos fearr a thairiscint duit, chun anailís a dhéanamh ar thrácht an tsuímh agus chun inneachar a phearsantú. Trí úsáid a bhaint as an suíomh seo, aontaíonn tú lenár n-úsáid a bhaint as fianáin. Beartas Príobháideachta
    Diúltaigh Glac